
Die TPM Air-Schaltanlage ist eine moderne Ringhauptschaltanlage (RMU), die für den Einsatz in Mittelspannungsnetzen konzipiert ist. Das Design basiert auf Trockenluftisolierung und Vakuumtechnologie und verwendet ausschließlich natürliche Bestandteile der Umgebungsluft, wodurch die vollständige Einhaltung der aktuellen Umweltanforderungen und zukünftigen Vorschriften zu Treibhausgasen gewährleistet ist. TPM Air erfüllt die Anforderungen an Verteilerschaltanlagen und verbindet Umweltaspekte mit den Vorteilen des bewährten TPM-Schaltanlagenkonzepts. Es handelt sich um eine bahnbrechende Lösung, die einen sicheren, wirtschaftlichen und langfristigen Betrieb von Mittelspannungsnetzen garantiert.
Eigenschaften
Eigenschaften
- Miniatur-Schaltanlagenabmessungen bei gleichbleibend hohen technischen Parametern,
- Hohe Betriebssicherheit dank einer Konstruktion, die eine Beständigkeit gegen interne Lichtbögen an allen Seiten der Schaltanlage gewährleistet.
- Möglichkeit der Konfiguration einer Schaltanlage aus einer Reihe von Schalttafeln für verschiedene Zwecke: Leitungsschalttafeln, Transformatorschalttafeln, Schalttafeln, Koppelschalttafeln, Messschalttafeln,
- the switchboard can be easily expanded with additional sets (this should be taken into account when placing an order); each set can be manufactured as expandable,
- die Möglichkeit, die Schaltanlage für den Betrieb mit Fernsteuerungs- und Messsystemen anzupassen, z. B. für den Betrieb mit SmartGrid-Netzwerken,
- eine schnelle Erdungsvorrichtung, die den Sicherungselement auf beiden Seiten im Transformatorfeld erdet,
- Tank aus rostfreiem und säurebeständigem Stahl, gefüllt mit trockener Luft unter Überdruck; dank seiner hermetischen Bauweise ist er während seiner gesamten Lebensdauer wartungsfrei,
- Isoliermedium aus natürlichen Bestandteilen der Luft – kein Treibhauspotenzial (GWP).
Mögliche Markierungen/Bezeichnungen

Normen
Die TPM Air-Schaltanlage erfüllt die Anforderungen der folgenden Normen:
- PN-EN 62271-1 - „Hochspannungsschaltgeräte und -steuergeräte – Teil 1: Allgemeine Bestimmungen”,
- PN-EN 62271-200 - „Hochspannungsschaltgeräte und -steuergeräte – Teil 200: Wechselstromschaltgeräte in Metallgehäusen für Nennspannungen über 1 kV bis einschließlich 52 kV”,
- PN-EN 62271-100 - „Hochspannungsschaltgeräte und -steuergeräte – Teil 100: Hochspannungs-Wechselstrom-Leistungsschalter”,
- PN-EN 62271-102 - „Hochspannungsschaltgeräte und -steuergeräte – Teil 102: Hochspannungs-Wechselstrom-Trennschalter und Erdungsschalter”,
- PN-EN 62271-103 - „Hochspannungsschaltgeräte – Teil 103: Trennschalter mit einer Nennspannung von mehr als 1 kV bis einschließlich 52 kV”,
- PN-EN 62271-105 - „Hochspannungsschaltgeräte und -steuergeräte – Teil 105: Wechselstrom-Sicherungsschaltgeräte”,
- PN-EN 62271-213 - „Hochspannungsschalt- und -steuergeräte – Teil 213: Spannungserkennungs- und -anzeigesystem”.
Feldausrüstung
L-Feld-Ausrüstung – Trennschalter (Leitung, Versorgung, Auslass)

Grundlegende Parameter | |
Ur | 25 kV |
Fr | 50/60 Hz |
Ud | 50/60 kV |
Up | 125/145 kV |
Ir | 630 A |
Ik | bis zu 20 kA (1s) |
Ip | bis zu 50 kA |
Ima | bis zu 50 kA |
Icc2 | 70 A |
Trennschalterklasse M2, E3, C2 | |
M1, E2 Erdungsschalterklasse |
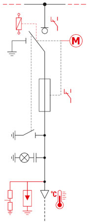
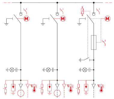
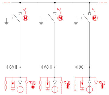
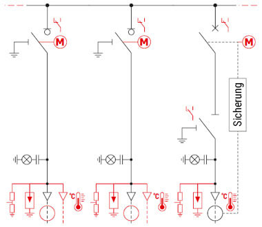
Sonderausstattungen sind im Schaltplan rot markiert.
Einige Sonderausstattungen schließen sich möglicherweise gegenseitig aus oder erfordern die Verwendung einer tiefen Kabelabdeckung.
- Übereinstimmung mit PN-EN 62271-103, Trennschalter mit Nennspannung über 1 kV bis einschließlich 52 kV,
- Übereinstimmung mit PN-EN 62271-102, Hochspannungs-Wechselstrom-Trennschalter und Erdungsschalter,
- L-Feld als Einzelmodul mit Erweiterungsoption oder kombinierbar mit anderen Konfigurationen innerhalb eines gemeinsamen Tanks in Systemen mit bis zu vier Feldern,
- Dreistufige Trenn-Erdungsschalter-Baugruppe, deren Konstruktion auf gemeinsamen beweglichen Kontakten und separaten festen Kontakten des Erdungsschalters und des Trennschalters basiert,
- Trennschalter, der mit einem Shunt-Stromunterbrechungssystem in einer Vakuumkammer während des Trennvorgangs ausgestattet ist,
- ein Handantrieb, der ein intuitives und einfaches Manövrieren sowie ein schnelles Schließen und Öffnen der Schaltanlage gewährleistet,
- eine übersichtliche Anzeige, die den Status der Geräte und aller Hauptstromkreise anzeigt,
- C-Typ-Buchsen mit M16-Gewinde, ausgestattet mit kapazitiven Spannungsteilern, die für den Einsatz mit Spannungsanzeigern im LRM-System und mit elektromagnetischen Verriegelungen ausgelegt sind.
- Signalanzeige für vorhandene Spannung am Kabel im LRM-System,
- Manometer – Gasdruckanzeige mit einer Zweizonen-Skala, die den nominalen absoluten Gasdruck (trockene Luft) von -250 kPa (0,25 MPa) bei einer Temperatur von 20 °C anzeigt (eines pro Tank),
- ein System mechanischer Verriegelungen zwischen den Geräten und den Kabelabdeckungen, um fehlerhafte Anschlussvorgänge zu verhindern – die Abdeckung kann erst entfernt werden, nachdem der Erdungsschalter geschlossen wurde,
- Sicherheitsventil (eines pro Tank), das sich öffnet, wenn der Druck im Tank aufgrund eines Lichtbogens ansteigt, und die Gase nach unten in den Kabelkanal leitet, wodurch die Gefahr für das Personal beseitigt wird.
- Kabelhalter.
- 24-V-Gleichstrommotorantrieb (andere Versorgungsspannungen auf Anfrage erhältlich), kann vor Ort nachgerüstet werden,
- Drucksensor (Dichtemessgerät) mit Hilfskontakten – zur Verwendung mit Motorantrieb, Telemechanik,
- Hilfskontakte, die die Abbildung von Gerätestatus in Fernwirksystemen ermöglichen,
- Spannungssensoren – Transformatoren mit geringem Stromverbrauch,
- Stromwandler, Stromsensoren, Rogowski-Spulen,
- Erdschlusstransformatoren,
- Kurzschlussstromanzeigen,
- Hilfsschaltschrank/Zusammenarbeit mit Fernwirktechnik,
- „EIN“- und „AUS“-Signalisierung in Form von Kontrollleuchten,
- Anti-Kondensationsheizungen,
- Erweiterung rechts und links möglich,
- Schlüsselschloss für Trennschalter oder Erdungsschaltersteckdose,
- Elektromagnetische Verriegelung für Erdungsschaltersteckdose,
- Überspannungsableiter,
- AST-05 drahtlose Temperatursensoren, die Teil des eTemp-Systems sind.
T-Feld-Ausrüstung – Trennschalter mit Sicherungen

Grundlegende Parameter | |
Ur | 24 kV |
fr | 50/60 Hz |
Ud | 50/60 kV |
Up | 125/145 kV |
Ir | 250 A (125 A insert) |
Ima | 5 kA (Erdungsleiter) |
Itransfer | 1250 A |
M2, E3 Trennschalterklasse | |
M1, E2 Erdungsschalterklasse |
Sonderausstattungen sind im Schaltplan rot markiert.
Einige Sonderausstattungen schließen sich möglicherweise gegenseitig aus oder erfordern die Verwendung einer tiefen Kabelabdeckung.
- Einhaltung der Norm PN-EN 62271-105 – Wechselstrom-Sicherungsschaltanlagen,
- Übereinstimmung mit PN-EN 62271-102, Wechselstrom-Hochspannungs-Trennschalter und Erdungsschalter,
- T-Feld als Einzelmodul mit Erweiterungsoption oder kombinierbar mit anderen Konfigurationen innerhalb eines gemeinsamen Tanks in Systemen mit bis zu vier Feldern,
- Dreistufige Trenn-Erdungsschalter-Baugruppe, deren Konstruktion auf gemeinsamen beweglichen Kontakten und separaten festen Kontakten des Erdungsschalters und Trennschalters basiert.
- Unterer Erdungsschalter, der die Erdung auf beiden Seiten der Einsätze sicherstellt,
- ein Trennschalter, der mit einem Shunt-Stromunterbrechungssystem in einer Vakuumkammer während des Trennvorgangs ausgestattet ist,
- ein Handantrieb, der ein intuitives und einfaches Manövrieren sowie ein schnelles Schließen und Öffnen der Schaltanlage gewährleistet,
- Übersichtsanzeige, die den Status von Geräten und gesamten Hauptstromkreisen anzeigt,
- Speicherlaufwerk-Funktion, die die Trennschalterkontakte öffnet, wenn MV-Einsätze mit thermischem Schutz (Ausblasen) oder eine Auslösespule verwendet werden,
- Burnout-Indikator einfügen,
- Buchsenisolatoren vom Typ A mit Steckbuchse, ausgestattet mit kapazitiven Spannungsteilern, die für den Betrieb mit Spannungsanzeigern im LRM-System ausgelegt sind,
- Spannungsanzeige am Kabel im LRM-System,
- Manometer – Gasdruckanzeige mit einer Zweizonen-Skala, die den nominalen absoluten Gasdruck (trockene Luft) von -250 kPa (0,25 MPa) bei einer Temperatur von 20°C anzeigt (eines pro Tank),
- ein System mechanischer Verriegelungen zwischen den Geräten und der Kabelraumabdeckung, das fehlerhafte Anschlussvorgänge verhindert – die Abdeckung kann erst nach Schließen des Erdungsschalters entfernt werden,
- Sicherheitsventil (eines pro Tank), das sich aufgrund eines durch einen Lichtbogen im Tank verursachten Druckanstiegs öffnet und Gase nach unten in den Kabelkanal leitet,
- Kabelhalter.
- 24-V-Gleichstrommotorantrieb (andere Versorgungsspannungen auf Anfrage erhältlich),
- Drucksensor (Dichtemessgerät) mit Hilfskontakten – für die Zusammenarbeit mit Motorantrieb, Telemechanik,
- Hilfskontakte als Darstellung von Gerätestatus für Fernwirktechnik-Systeme,
- Sicherungseinsätze mit Temperaturbegrenzer (thermische Auslösung) gemäß IEC 60282-1, DIN 43625,
- Spannungssensoren – Transformatoren mit geringem Stromverbrauch,
- „EIN“- und „AUS“-Signalisierung in Form von Kontrollleuchten,
- Anti-Kondensationsheizungen,
- C-Typ-Durchführungsisolatoren mit M16-Gewinde, ausgestattet mit kapazitiven Spannungsteilern, die für den Einsatz mit Spannungsanzeigern im LRM-System ausgelegt sind.
- Möglichkeit der Erweiterung auf der rechten und linken Seite,
- Schlüsselschloss für die Trennvorrichtung oder die Erdungsschalterbuchse,
- Inkrementaler Trigger – DWN 24 V DC, 230 V AC/DC-Spule (andere Spannungen auf Anfrage),
- AST-05 drahtlose Temperatursensoren, die Teil des eTemp-Systems sind.
W Feldgeräte – Leistungsschalter (power supply, outlet, transformer)

Grundlegende Parameter | |
Ur | 24 kV |
fr | 50/60 Hz |
Ud | 50/60 kV |
Up | 125/145 kV |
Ir | 630 A |
Ik | up to 20 kA (1s) |
Isc | up to 20 kA |
Ief1 | up to 20 kA |
Ima | bis zu 50 kA |
Icc2 | 31,5 A |
M2, E2, C2-Trennschalterklasse Schaltbereich (O-0,3s-CO-15s-CO) |
|
M1, E2 Erdungsschalterklassegg |
Sonderausstattungen sind im Schaltplan rot markiert.
Einige Sonderausstattungen schließen sich möglicherweise gegenseitig aus oder erfordern die Verwendung einer tiefen Kabelabdeckung.
- Übereinstimmung mit PN-EN 62271-100, Hochspannungs-Wechselstrom-Leistungsschalter,
- Übereinstimmung mit PN-EN 62271-102, Hochspannungs-Wechselstrom-Trennschalter und Erdungsschalter,
- W-Feld als Einzelmodul mit Erweiterungsoption oder kombinierbar mit anderen Konfigurationen innerhalb eines gemeinsamen Tanks in Systemen mit bis zu vier Feldern,
- eine Leistungsschalteranordnung auf der Grundlage der Verwendung von Vakuumkammern mit einem Ausschaltstrom von 16 kA oder 20 kA, die in einem mit trockener Luft gefüllten Behälter eingeschlossen sind,
- Eine dreistufige Trenn-Erdungsschalter-Baugruppe, deren Konstruktion auf gemeinsamen beweglichen Kontakten und separaten festen Kontakten des Erdungsschalters und des Trennschalters basiert. Die Funktion des Trennschalters besteht darin, eine sichere Unterbrechung des Stromkreises zu gewährleisten.
- ein manueller Federantrieb für den Leistungsschalter, der eine intuitive und einfache Handhabung sowie ein sofortiges Schließen und Öffnen der Schaltanlage gewährleistet; der Antrieb verfügt über ein Leistungsschalter-Sicherungssystem, das einen schnellen Ein-Aus-Zyklus ermöglicht,
- Manuelle Betätigung des Dreistellungstrenn-Erdungsschalters für eine intuitive und einfache Handhabung der Schaltanlage,
- Übersichtsdiagramm, das den Status der Geräte und aller Hauptstromkreise anzeigt,
- Signalisierung der Auslösung eines Leistungsschalters
- Autonomer Schutz, vorzugsweise AZZ-4 (hergestellt von ITR) oder WIC 1 (hergestellt von SEG) mit dedizierten Stromwandlern,
- C-Typ-Buchsenisolatoren mit M16-Gewinde, ausgestattet mit kapazitiven Spannungsteilern, die für den Einsatz mit Spannungsanzeigern im LRM-System und mit elektromagnetischen Schlössern ausgelegt sind.
- Signalanzeige für vorhandene Spannung am Kabel im LRM-System,
- Manometer – Gasdruckanzeige mit einer Zweizonen-Skala, die den nominalen absoluten Gasdruck (trockene Luft) von -250 kPa (0,25 MPa) bei einer Temperatur von 20 °C anzeigt (eines pro Tank),
- ein System mechanischer Verriegelungen zwischen den Geräten und den Kabelabdeckungen, um fehlerhafte Anschlussvorgänge zu verhindern – die Abdeckung kann erst entfernt werden, nachdem der Erdungsschalter geschlossen wurde,
- Sicherheitsventil (eines pro Tank), das sich öffnet, wenn der Druck im Tank aufgrund eines Lichtbogens ansteigt, und die Gase nach unten in den Kabelkanal leitet, wodurch die Gefahr für das Personal beseitigt wird,
- Kabelspannungsanzeige,
- Kabelhalter.
- 24-V-Gleichstrommotorantrieb für den Schalter (andere Versorgungsspannungen auf Anfrage erhältlich),
- Drucksensor (Dichtemessgerät) mit Hilfskontakten – für die Zusammenarbeit mit Motorantrieb, Telemechanik,
- Hilfskontakte als Darstellung von Gerätestatus für Fernwirktechnik-Systeme,
- Sicherheitsvorrichtungen, die nicht zu den bevorzugten autonomen Vorrichtungen gehören, Feldsteuerungen, SZR-Automatisierung,
- Spannungssensoren – Transformatoren mit geringem Stromverbrauch,
- Stromwandler, Stromsensoren, Rogowski-Spulen, Erdschlusswandler,
- Hilfsschaltschrank/Zusammenarbeit mit Fernwirktechnik,
- „EIN“- und „AUS“-Signalisierung in Form von Kontrollleuchten,
- Anti-Kondensationsheizungen,
- Erweiterung rechts und links möglich,
- Überspannungsableiter,
- AST-05 drahtlose Temperatursensoren, die Teil des eTemp-Systems sind.
S-Feld-Ausrüstung – Trennschalter – Koppler

Grundlegende Parameter | |
Ur | 24 kV |
fr | 50/60 Hz |
Ud | 50/60 kV |
Up | 125/145 kV |
Ir | 630 A |
Ik | bis zu 20 kA (1s) |
Ip | bis zu 50 kA |
Ima | bis zu 50 kA |
M2, E3 Trennschalterklasse | |
M1, E2 Erdungsschalterklasse |
Sonderausstattungen sind im Schaltplan rot markiert.
Einige Sonderausstattungen schließen sich möglicherweise gegenseitig aus oder erfordern die Verwendung einer tiefen Kabelabdeckung.
- Übereinstimmung mit PN-Hauptgleis-Erdungsschalter für den rechten Abschnitt,EN 62271-103, Trennschalter mit Nennspannung über 1 kV bis einschließlich 52 kV,
- Übereinstimmung mit PN-EN 62271-102, Hochspannungs-Wechselstrom-Trennschalter und Erdungsschalter,
- S-Feld als einzelnes Modul, nach rechts und links erweiterbar,
- Trennschalter auf Basis von gemeinsamen beweglichen Kontakten und festen Kontakten,
- Lichtbogenlöschsystem während Schaltvorgängen,
- Manueller Antrieb für intuitives und einfaches Manövrieren sowie schnelles Schließen und Öffnen von Schaltgeräten,
- Übersichtsanzeige, die den Status von Geräten und gesamten Hauptstromkreisen anzeigt,
- Manometer – Gasdruckanzeige mit einer Zweizonen-Skala, die den Nenn-Absolutdruck des Gases (trockene Luft) von -250 kPa (0,25 MPa) bei einer Temperatur von 20 °C anzeigt.
- Sicherheitsventil (eines pro Tank), das sich öffnet, wenn der Druck im Tank aufgrund eines Lichtbogens ansteigt, und die Gase nach unten in den Kabelkanal leitet, wodurch die Gefahr für das Personal beseitigt wird.
- 24-V-Gleichstrommotorantrieb (andere Versorgungsspannungen auf Anfrage erhältlich), einfache Installation vor Ort,
- main track earthing switch for the right section,
- Spannungsanzeige auf den Hauptschienen vor und nach dem Trennschalter,
- Drucksensor (Dichtemessgerät) mit Hilfskontakten – für die Zusammenarbeit mit dem Motorantrieb, Telemechanik,
- Hilfskontakte, die die Abbildung von Gerätestatus in Fernwirktechnik-Systemen ermöglichen,
- Schlüsselsicherung für die Steckdose des Trennschalters oder Erdungsschalters.
M-Feld-Geräte – Messung

Grundlegende Parameter | |
Ur | 24 kV |
fr | 50/60 Hz |
Ud | 50/60 kV |
Up | 125/145 kV |
Ir | 630 A |
Ik | bis zu 20 kA (1s) |
Ip | bis zu 50 kA |
Sonderausstattungen sind im Schaltplan rot markiert.
Einige Sonderausstattungen schließen sich möglicherweise gegenseitig aus oder erfordern die Verwendung einer tiefen Kabelabdeckung.
- Übereinstimmung mit PN-EN 62271-200, Wechselstrom-Schaltanlagen in Metallgehäusen für Nennspannungen über 1 kV bis einschließlich 52 kV,
- M840-Feld als einzelnes Modul, nach rechts und links erweiterbar,
- Busbar-System in einem Edelstahltank eingeschlossen,
- Satz von Spannungs- und Stromwandlern,
- Spannungsanzeige an Hauptstromkreisen,
- Synoptisches Diagramm mit Hauptstromkreisabbildung,
- Manometer – Gasdruckanzeige mit einer Zweizonen-Skala, die den Nenn-Absolutdruck des Gases (trockene Luft) von -250 kPa (0,25 MPa) bei einer Temperatur von 20 °C anzeigt.
- Sicherheitsventil (eines pro Tank), das sich öffnet, wenn der Druck im Tank aufgrund eines Lichtbogens ansteigt, und die Gase nach unten in den Kabelkanal leitet, wodurch die Gefahr für das Personal beseitigt wird.
- Anti-Kondensationsheizungen,
- AST-05 drahtlose Temperatursensoren, die Teil des eTemp-Systems sind.
Sicherheit
Sicherheit
- Die robuste Konstruktion der TPM Air-Schaltanlage garantiert eine hohe Zuverlässigkeit.
- Der Tank besteht aus rostfreiem und säurebeständigem Stahl, der Widerstandsfähigkeit gegen Umwelteinflüsse gewährleistet.
- Die Verwendung von abgeschirmten Köpfen garantiert Sicherheit, z. B. bei Wartungsarbeiten mit abgenommener Abdeckung und unter Spannung stehenden Stromkabeln.
- Gasdruckmesser (Trockene Luft) – Manometer, das den korrekten Druck des Isoliergases im Tank anzeigt.
- Standardmäßige Beständigkeit gegen interne Lichtbögen von 20 kA,
- Der durch interne Lichtbögen verursachte Druckanstieg wird durch Öffnen des am Boden des Schaltanlagentanks installierten Sicherheitsventils beseitigt. Die Gase entweichen in den Kabelkanal, wodurch keine Gefahr für das Bedienpersonal entsteht.
- Antriebe, die ein manuelles Umschalten von Geräten ermöglichen,
- Jedes Schalttafelabteil ist mit Spannungsanzeigen ausgestattet, mit denen der Bediener überprüfen kann, dass an den Durchführungen der Isolatoren keine Spannung anliegt.
- ein übersichtliches synoptisches Diagramm, das die Intuitivität der Bedienung und das Ablesen des Status von Geräten verbessert,
- Eine Reihe mechanischer Verriegelungen ermöglicht das Öffnen der Kabelabdeckungen erst nach dem Schließen des Erdungsschalters.
- eine Reihe mechanischer Verriegelungen zwischen Geräten, die fehlerhafte Schaltvorgänge verhindern,
- Optionale Verwendung von elektromagnetischen Schlössern, die verhindern, dass sich der Erdungsschalter schließt, wenn Spannung an den Stromkabeln anliegt.
- ein Satz Hilfskontakte mit Gerätestatus-Signalausgang, der die Sicherheit der Fernbedienung gewährleistet,
- Die Verwendung eines Druckschalters in allen Fällen mit Motorantriebsoption, der die Sicherheit der Fernbedienung gewährleistet.
TPM Air MV-Schaltanlagenräume
Anschlussfach
Das Schaltfach befindet sich in einem Behälter aus rostfreiem und säurebeständigem Blech. Als Isoliermedium wird trockene Luft unter Überdruck verwendet, die eine sehr hohe Durchschlagfestigkeit aufweist. Im Inneren des Behälters befinden sich Sammelschienen, Isolatoren und Schaltgeräte, zu denen je nach Konfiguration ein Dreistellungstrennschalter mit Erdungsschalter und Shuntkammer, ein Dreistellungstrennschalter mit Erdungsschalter oder ein Vakuum-Leistungsschalter gehören können. Jeder Tank verfügt über ein Sicherheitsventil, das bei Öffnung den durch einen internen Lichtbogen verursachten Druckanstieg beseitigt. Bei der TPM-Luftschaltanlage befindet sich das Ventil am Boden des Tanks im Kabelanschlussraum in einem der Leitungsfelder. Die Durchführungsisolatoren verfügen über eingebaute kapazitive Spannungsteiler, die mit Spannungsanzeigern an der Vorderwand der Schaltanlage verbunden sind. Sowohl der Trennschalter selbst als auch die Antriebsmechanismen sind äußerst langlebige und zuverlässige Geräte.
Sicherungskasten
Einsätze, die mit einem Temperaturbegrenzer (thermische Auslösung) gemäß IEC 60282-1, DIN 43625 ausgestattet sind, werden im Sicherungsfach der Schaltanlage (in speziellen Isolierrohren) installiert, um unzulässig hohe Temperaturen, unabhängig von ihrer Ursache, zu verhindern. Die Konstruktion des Sicherungsfachs verhindert, dass es vor der Auslösung des Temperaturbegrenzers geöffnet werden kann. DIN 43625, um unzulässig hohe Temperaturen, unabhängig von ihrer Ursache, zu verhindern. Die Konstruktion des Sicherungsfachs verhindert, dass es vor dem Schließen des Erdungsschalters geöffnet werden kann. Der Trennschalter im Transformatorfeld kann erst eingeschaltet werden, nachdem der Deckel des Sicherungsfachs geschlossen wurde. Wenn die Sicherungsstange durchbrennt, löst die darin installierte Auslösevorrichtung den automatischen Öffnungsmechanismus des Trennschalters im Transformatorfeld aus. Der Trennschalter kann nach dem Austausch der Sicherungsstangen wieder eingeschaltet werden.
Antriebsraum
Der Antriebsraum umfasst einen integrierten, direkten Handantrieb (Motorantrieb) für den Trennschalter und den Erdungsschalter oder Vakuum-Leistungsschalter. Darüber hinaus ist der Transformatorraum mit einem Speicherantrieb ausgestattet, der das Ausschalten des Trennschalters nach Auslösen der Schmelzsicherung oder bei Verwendung einer Auslösespule ermöglicht. Der Auslösezustand der Schmelzsicherung wird auf der Frontplatte des Antriebs angezeigt. Ein Manometer (kalibriert auf den Nennzustand in Abhängigkeit von der Temperatur) befindet sich im Antriebsraum der Schaltanlage, um den korrekten Gasdruck im Tank anzuzeigen. Spannungsanzeigen am Kabel befinden sich an der Vorderseite der Schaltanlage.
Kabelablage
Im Kabelraum werden die Schaltanlagen über Kabelköpfe an die Stromnetzkabel angeschlossen. Die einzelnen Kabelraumfelder sind durch Metalltrennwände voneinander getrennt.
Jedes Kabelfach ist ausgestattet mit:
- C-Typ-Durchführungsisolatoren für Stromversorgungs-, Entwässerungs- und Transformatorfelder, die mit einem Leistungsschalter ausgestattet sind,
- Type A bushing insulators for transformer fields equipped with MV fuses,
- Kabelklemmen,
- Erdungsklemmen für Rückleiter.
Darüber hinaus ermöglicht jedes Feld die Installation der folgenden Ausrüstung:
- Schutztransformatoren, Rogowski-Spulen,
- Spannungssensoren,
- Überspannungsableiter,
- Kombinierte Systeme mit Tiefabdeckungen, z. B.: zwei Köpfe pro Phase, Kopf + Spannungssensor, Kopf + Überspannungsableiter, zwei Köpfe pro Phase + Spannungssensor, zwei Köpfe pro Phase + Überspannungsableiter, Kopf + Überspannungsableiter + Spannungssensor.
Die TPM Air-Schaltanlage ist für den Anschluss von Kabeln mit einem Querschnitt von bis zu 630 mm² ausgelegt, z. B. Kabel mit Kunststoffisolierung wie YHAKXS, YHKX, XUHAKXS oder XRUHKS.
Technische Daten
TPM-Luftschaltanlage – Nennwerte | ||
LV-Nennspannung | Ur | 24 kV |
Nennfrequenz – Anzahl der Phasen | fr | 50 / 60 Hz / 3 |
Nennspannung bei Netzfrequenz | Ud | 50 kV / 60 kV |
Blitzstoßspannung (1,2/50 µs) standhalten | Up | 125 kV / 145 kV |
Nenn-Dauerstrom der Hauptschienen | Ir | 630 A |
Nenn-Kurzzeitstromfestigkeit der Hauptstromkreise | Ik | 16 kA (1s) / 20 kA (1s) |
Nenn-Spitzenstromfestigkeit der Hauptstromkreise | Ip | 40 kA / 50 kA |
Widerstand gegen innere Verformung | IA | 20 kA (1s) |
IAC-Klasse | AFLR | |
IP-Schutzart | IP4X (IP54 option) | |
Widerstandsfähigkeit gegen mechanische Einwirkungen | Ik10 |
Umgebungsbedingungen: | |
Umgebungstemperatur | |
- kurzfristiger Höchstwert
|
+ 40°C
|
- höchster Durchschnitt über einen Zeitraum von 24 Stunden
|
+ 35°C
|
- minimum
|
|
- ohne Sekundärkreise
|
- 25°C
|
- mit Sekundärkreisen
|
- 5°C / - 15°C / - 25°C1)
|
Relative Luftfeuchtigkeit | |
- höchster Durchschnitt über einen Zeitraum von 24 Stunden
|
95%
|
- höchster Durchschnitt im Monat
|
90%
|
Vibrationen | Durch äußere Einflüsse oder Erdbeben verursachte Vibrationen sind vernachlässigbar. |
Schutzgrad (interner Schutz) | |
- Geräteraum Edelstahltank
|
IP 67
|
- Antriebs- und Anschlussraum
|
IP 4X
|
Kontaminationsbedingungen | |
- Erhebliche Verunreinigung durch Salz, Dämpfe, Staub, Rauch, brennbare Gase
|
KEINE
|
- Ätzend
|
KEINE
|
- Reif, Frost, Schneeverwehungen
|
KEINE
|
Anmerkung:
1) Sofern der Hersteller der Steuerungs-, Mess- und Sicherheitsausrüstung nichts anderes angegeben hat.
Nennparameter eines Dreistellungstrennschalters, Leitungsfeld (L) | ||
Nenn-Dauerstrom | Ir | 630 A |
Nenn-Kurzschlussstrom | Ima | 50 kA |
Nennstrom, der in einem Stromkreis mit geringer Induktivität abgeschaltet werden kann | Iload | 630 A |
Nennstrom, der im Schleifenstromkreis abgeschaltet werden kann | Iloop | 630 A |
Nenn-Umschaltbarer Ladestrom für Kabel | Icc2 | 70 A |
Nenn-schaltbarer Leitungsladestrom | Ilc | 20 A |
Bemessungs-Kurzschlussausschaltstrom | Ief1 | 210 A |
Bemessungs-Bruchstrom für Ladekabel und -leitungen unter Erdschlussbedingungen | Ief2 | 121 A |
Trennschalterklasse | M2 (5 000 CO), E3, C2 | |
Erdungsschalterklasse | M1, E2 |
Nennparameter eines Dreistellungstrennschalters in einem Satz mit Sicherungen, Transformatorfeld (T) | ||
Nenn-Dauerstrom | Ir | 250 A |
Maximaler Strom der Sicherung mit thermischem Schutz | 125 kA | |
Stromdurchgang | Itransfer | 1250 A |
Nenn-Kurzschlussstrom des Erdungsschalters | Ima | 5 kA |
Elektrische Trennvorrichtung Klasse | M2, E3 | |
Maximale Nennleistungen der Transformatoren | 6 kV | 800 kVA |
10 kV | 1000 kVA | |
15 kV | 1600 kVA | |
20 kV | 2000 kVA |
Nennparameter des Leistungsschalters – Leistungsschalterfeld (W) | ||
Nenn-Dauerstrom | Ir | 630 A |
Nenn-Kurzschlussstrom | Ima | 40 kA / 50 kA |
Bemessungs-Kurzschlussausschaltstrom | Isc | 16 kA / 20 kA |
Bemessungs-Erdschlussauslösestrom | Ief1 | 16 kA / 20 kA |
Nennstrom einer unbelasteten Kabelleitung | Icc2 | 31,5 A |
Klasse wechseln | Ilc | M2 (10 000 CO), E2, C2 |
Shift-Serie | Ief1 | O-0,3s-CO-15s-CO |
Die Nennströme der von führenden Herstellern empfohlenen Sicherungselemente zum Schutz von Primärkreisen von Transformatoren mit Nennspannungen von 6 kV, 10 kV, 15 kV und 20 kV sollten gemäß IEC 60282-1, DIN 43625 mit einem Temperaturbegrenzer (thermischer Schutz) ausgewählt werden.
Verfahren zum Bau eines Kabelkanals unter einer TPM-Luft-Mittelspannungsschaltanlage
Die Tiefe des Kanals für Trockenkabel sollte unter Berücksichtigung des in den technischen Spezifikationen für den Kabeltyp angegebenen Mindestbiegeradius in Abhängigkeit von dessen Außendurchmesser gewählt werden. Ein Beispiel für die empfohlene Kabeltiefenkabeltiefe ist in der folgenden Abbildung dargestellt. Durch die Verwendung eines erhöhten Sockels oder technischen Bodens kann die Notwendigkeit eines versenkten Kanals reduziert oder vollständig vermieden werden.
Einadriges Trockenkabel | ||
Kabelquerschnitt (mm2) | Biegeradius (mm) | Kanaltiefe K (mm) |
50 | 370 | 400 |
70 | 400 | 430 |
95 | 440 | 470 |
120 | 470 | 500 |
150 | 500 | 550 |
185 | 540 | 600 |
240 | 590 | 700 |
Kabelköpfe
Die TPM Air-Schaltanlage kann mit Anschlussköpfen aller führenden Hersteller von Cellpack-, Nexans- (Euromold) und TE Connectivity- (Raychem) Köpfen ausgestattet werden. Eine detaillierte Liste der in Mittelspannungsschaltanlagen zu verwendenden Köpfe finden Sie in den folgenden Tabellen.
Leitungsunterbrecher (L) und Leistungsschalter (W) – Schnittstelle Typ C | ||||||
Kabeltyp | Anmerkung | |||||
Manufacturer | Kabelquerschnitt [mm2] |
Kabelkopf | Überspannungsschutz | Spannung Sensor |
||
Einadriges Kunststoffkabel, z. B. YHAKXs, YHKX, XUHAKXs, XRUHKs, ... |
Cellpack | 25-240 | CTS 630A | CTKSA | UR56 (ITR) | Kabelquerschnitt > 240 mm2, mehr Kabel pro Phase, andere Arten von Kabelköpfen sollten mit dem Hersteller abgestimmt werden. |
Nexans | 25-240 | K480TB | 800PB–10SA | UR66 (ITR) | ||
TYCO ELECTRONIC | 25-240 | RSTI | RSTI – CC | UR56 (ITR) |
Transformatorfelder (T) – Schnittstelle Typ A | ||||
Kabeltyp | Kabelzubehör | Anmerkung | ||
Hersteller | Kabelquerschnitt [mm2] |
Kabelkopf | ||
Einadriges Kunststoffkabel, z. B. YHAKXs, YHKX, XUHAKXs, XRUHKs, ... |
Cellpack | 16-150 | CWS 250A | Kabelquerschnitt > 240 mm2, mehr Kabel pro Phase, andere Arten von Kabelköpfen sollten mit dem Hersteller abgestimmt werden. |
Nexans | 25-150 | K200LR | ||
TYCO ELECTRONIC | 35-70 | RSES 525 – B |
Anmerkung:
In allen Fällen ist unter der Schaltanlage ein Kabelkanal erforderlich. Optional kann die Schaltanlage auf einem Sockel oder auf einem technischen Boden aufgestellt werden.
Anschlussmöglichkeiten in der TPM Air-Schaltanlage – Standard- und tiefe Kabelabdeckung











So verbinden Sie erweiterbare Sets
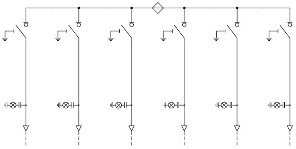
Die TPM Air-Schaltanlage kann um zusätzliche Sätze erweitert werden (vorausgesetzt, dies wurde bei der Angebotserstellung und Bestellung besprochen). Die Anschlussmethoden sind in den folgenden Abbildungen dargestellt. Detaillierte Informationen finden Sie in der technischen und betrieblichen Dokumentation der Schaltanlage.






* Mindestplatzbedarf für die Installation eines zusätzlichen Moduls.
Typische Konfigurationen
Einzelne Felder

Konfiguration | Breite in mm | Tiefe in mm | Höhe in mm | |
L | 365 | 800 | 925* | 1400 |
T | 445 | 800 | 1400 | |
W | 515 | 800 | 925* | 1400 |
S | 490 | 800 | 1400 |
* Vertiefte Kabelabdeckung




Sonderausstattungen sind im Schaltplan rot markiert.
Einige Sonderausstattungen schließen sich möglicherweise gegenseitig aus oder erfordern die Verwendung einer tiefen Kabelabdeckung.



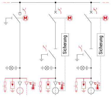
Sonderausstattungen sind im Schaltplan rot markiert.
Einige Sonderausstattungen schließen sich möglicherweise gegenseitig aus oder erfordern die Verwendung einer tiefen Kabelabdeckung.
Zweipoliges System

Configuration | Breite in mm | Tiefe in mm | Höhe in mm | |
LL | 680 | 800 | 925* | 1400 |
LT | 740 | 800 | 925* | 1400 |
LW | 900 | 800 | 925* | 1400 |
* Vertiefte Kabelabdeckung



Sonderausstattungen sind im Schaltplan rot markiert.
Einige Sonderausstattungen schließen sich möglicherweise gegenseitig aus oder erfordern die Verwendung einer tiefen Kabelabdeckung.
Dreipoliges System

Konfiguration | Breite in mm | Tiefe in mm | Höhe in mm | |
LLL | 1000 | 800 | 925* | 1400 |
LLT | 1055 | 800 | 925* | 1400 |
LLW | 1130 | 800 | 925* | 1400 |
* Vertiefte Kabelabdeckung



Sonderausstattungen sind im Schaltplan rot markiert.
Einige Sonderausstattungen schließen sich möglicherweise gegenseitig aus oder erfordern die Verwendung einer tiefen Kabelabdeckung.
Konfiguration | Breite in mm | Tiefe in mm | Höhe in mm | |
LTT | 1100 | 800 | 925* | 1400 |
LWW | 1200 | 800 | 925* | 1400 |
* Vertiefte Kabelabdeckung


Sonderausstattungen sind im Schaltplan rot markiert.
Einige Sonderausstattungen schließen sich möglicherweise gegenseitig aus oder erfordern die Verwendung einer tiefen Kabelabdeckung.
Vierpoliger Stromkreis
Konfiguration | Breite in mm | Tiefe in mm | Höhe in mm | |
LLLL | 1315 | 800 | 925* | 1400 |
LLLT | 1375 | 800 | 925* | 1400 |
LLLW | 1450 | 800 | 925* | 1400 |
LLTT | 1425 | 800 | 925* | 1400 |
LLWW | 1550 | 800 | 925* | 1400 |





Sonderausstattungen sind im Schaltplan rot markiert.
Einige Sonderausstattungen schließen sich möglicherweise gegenseitig aus oder erfordern die Verwendung einer tiefen Kabelabdeckung.